气动、液压成套专业供应商
服务热线:
0571-87386972
网站首页
Home
产品中心
Nav
2D/CAD
电子样本
资料下载
Nav
技术创新
进口替代
方案优化
降本增效
成功案例
Nav
公司动态
展会信息
行业资讯
新闻资讯
Nav
团队风采
发展历程
企业文化
团队荣誉
关于我们
Nav
合作伙伴
联系信息
人才招聘
联系我们
Nav
注册
Register
登录
Login
2D/CAD
电子样本
技术创新
进口替代
方案优化
降本增效
公司动态
展会信息
行业资讯
团队风采
发展历程
企业文化
团队荣誉
合作伙伴
联系信息
人才招聘
产品详情
分享到:
上一个:
MDC 薄型模具缸
下一个:
MDR 水冷却模具缸
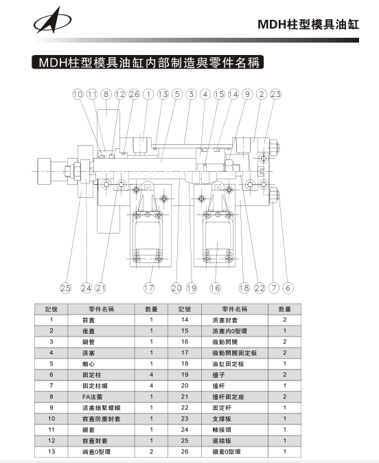
MDH 柱型模具缸
1.MDH是强力柱型油压缸(HC),外加微动开关撞子,得一准确控制模具中子的位置
2.MDH油压缸特别适用于压铸模具领域
颜色
:
如图所示
型号
:
MDH
0571-87386972
在线询价
产品详情
友情链接:
JFC
B
A
R
ASCO
IMI(诺冠)
服务热线
0571-87386972
产品中心 成功案例 新闻资讯 关于我们 联系我们
气动板块
液压板块
流体控制
系统集成
辅助元件
伺服电缸
滑台模组
技术创新
进口替代
方案优化
降本增效
团队风采
发展历程
企业文化
团队荣誉
公司
动态
展会信息
行业资讯
联系方式
合作伙伴
人才招聘